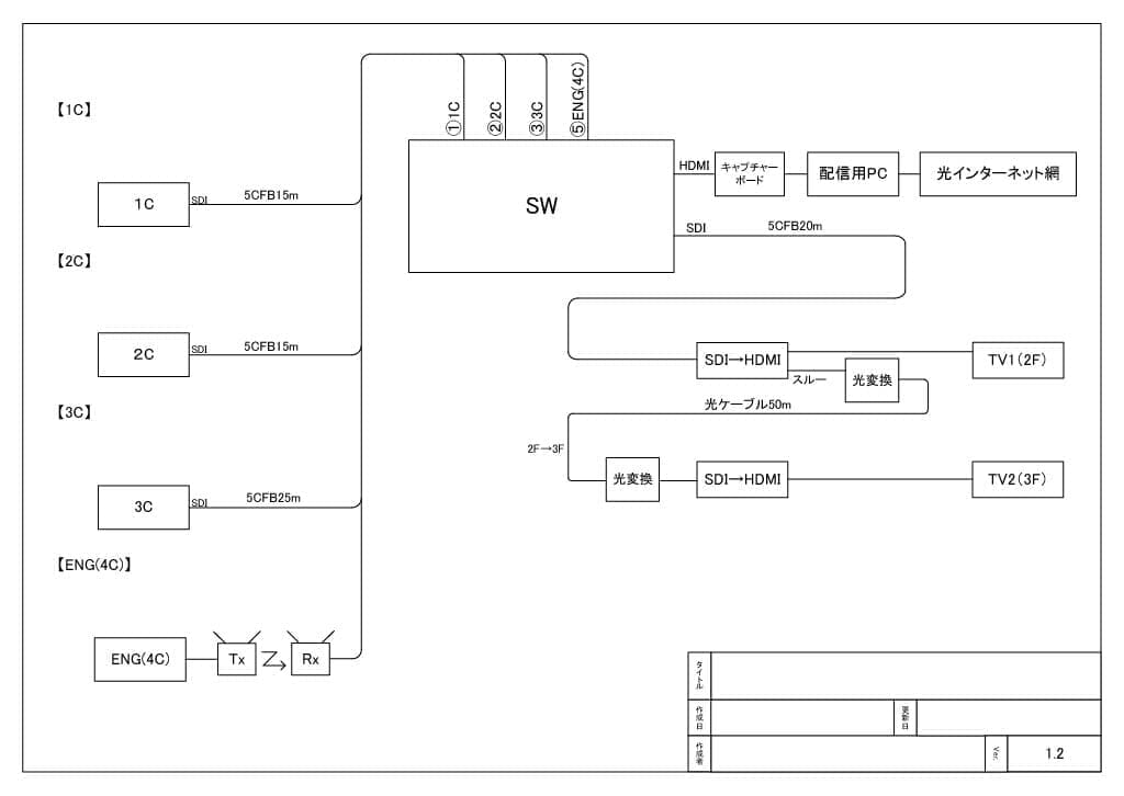
鹿児島市内 ― こども園様おたのしみ会撮影 2022.11.28実績鹿児島市内のこども園様にて「おたのしみ会」の撮影・WEB生配信・映像分配・DVD制作を行いました。 この度はありがとうございました。 ↑系統図例です実績DVD・BD制作, WEB配信, YouTubeライブ, マルチカメラ収録, 映像分配 WEB配信って??